Product Summary
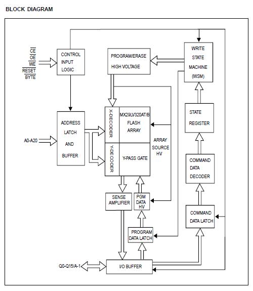
The MX29LV320ATTC-70 is a 32-mega bit Flash memory organized as 4M bytes of 8 bits and 2M words of 16 bits. Flash memories of MXIC offer the most cost-effective and reliable read/write non-volatile random access memory. It is packaged in 48-pin TSOP and 48-ball CSP. The MX29LV320ATTC-70 is designed to be reprogrammed and erased in system or in standard EPROM programmers.
Parametrics
MX29LV320ATTC-70 absolute maximum ratings: (1)Storage Temperature: -65 to +150℃; (2)Ambient Temperature with Power Applied: -65 to +125℃; (3)Voltage with Respect to Ground, VCC: -0.5 V to +4.0 V; A9, OE, and RESET : -0.5 V to +12.5 V; All other pins: -0.5 V to VCC +0.5 V; (4)Output Short Circuit Current: 200 mA.
Features
MX29LV320ATTC-70 features: (1)4,194,304 x 8 / 2,097,152 x 16 switchable; (2)Sector Structure: 8K-Byte x 8 and 64K-Byte x 63; (3)Extra 64K-Byte sector for security: Features factory locked and identifiable, and customer lockable; (4)Twenty-Four Sector Groups: Provides sector group protect function to prevent program or erase operation in the protected sector group; Provides chip unprotect function to allow code changing; Provides temporary sector group unprotect function for code changing in previously protected sector groups; (5)Single Power Supply Operation: 2.7 to 3.6 volt for read, erase, and program operations; (6)Latch-up protected to 250mA from -1V to Vcc + 1V; (7)Low Vcc write inhibit is equal to or less than 1.4V; (8)Compatible with JEDEC standard: Pinout and software compatible to single power supply Flash.
Diagrams

![]() |
![]() MX29F001B |
![]() Other |
![]() |
![]() Data Sheet |
![]() Negotiable |
|
||||
![]() |
![]() MX29F001T |
![]() Other |
![]() |
![]() Data Sheet |
![]() Negotiable |
|
||||
![]() |
![]() MX29F001T/B |
![]() Other |
![]() |
![]() Data Sheet |
![]() Negotiable |
|
||||
![]() |
![]() MX29F002 |
![]() Other |
![]() |
![]() Data Sheet |
![]() Negotiable |
|
||||
![]() |
![]() MX29F002N |
![]() Other |
![]() |
![]() Data Sheet |
![]() Negotiable |
|
||||
![]() |
![]() MX29F002TTI-12 |
![]() Other |
![]() |
![]() Data Sheet |
![]() Negotiable |
|
||||
(Hong Kong)








